
产品名称:拨杆
材料:35
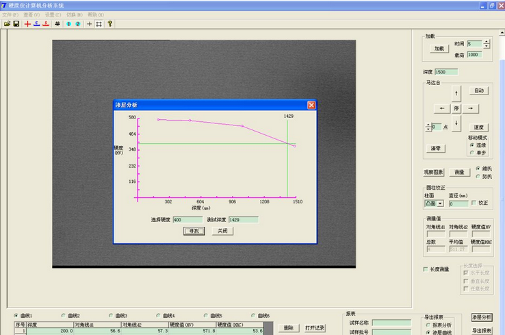
要求:卡槽面淬火45-55HRC,淬硬层深400HV1=0.76-2.54mm
热处理设备:HT-6010AB电子管污污污草莓视频成人淬火机
工艺:高频老师调的,

经锻造-机加工后的产品

工装侧面

工装正面
淬火过程

测有效硬化层深1.428mm
|联系草莓视频免费观看在线
第一时间了解草莓视频免费观看在线的新产品发布和最新的资讯文章。
广东草莓视频免费观看在线智能科技有限公司,是国内较早研制中高频污污污草莓视频成人加热设备的生产厂家,集聚多位专业从事污污污草莓视频成人加热设备工程师专家、集研发、设计、生产制造、销售、服务于一体民营企业。已经通过 CE认证,ISO9001体系认... 您有什么问题或要求吗?
点击下面,草莓视频免费观看在线很乐意提供帮助。 联系草莓视频免费观看在线